Projekce, konstrukce, výroba a revize elektrických NN zařízení
Ryze česká firma s 30-letou působností na trhu.
Zaměřujeme se na kompletní dodávku elektroinstalace po technologických zařízeních, především pak na zařízeních pro povrchové úpravy.
Kompletní dodávka elektroinstalace od A do Z

Vypracování dokumentace
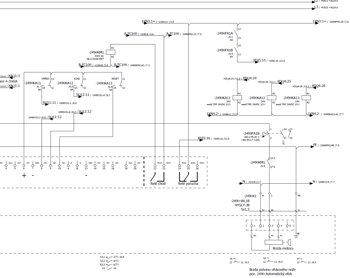
Dle zadání vypracujeme kompletní elektro dokumentaci v programu Eplan P8 a AutoCad

Programování
Naši programátoři mají k dispozici vývojové prostředí pro systémy Siemens a Wago. Nabízíme vývoj aplikačního SW a to včetně vizualizace.

Výroba rozvaděčů
Disponujeme oprávněním pro výrobu rozvaděčů do Ijmen = 2500A

Elektromontáž
Máme oprávnění pro elektromontáže v objektech třídy A+B v ČR a SR

Společnost Pracolor s.r.o. je ryze česká firma s 30-letou působností na trhu. Je známa v průmyslovém prostředí jako spolehlivý dodavatel kompletní elektroinstalace po technologických zařízeních, především pak na zařízeních pro povrchové úpravy.
Naší předností je flexibilita dodávky elektroinstalace na klíč.
Při projektování jsou používány výhradně komponenty renomovaných značek jako je Siemens, Wago, Schneider, Weidmuller, Eaton, Rittal, Regmet.
Naši programátoři mají k dispozici vývojové prostředí pro systémy Siemens a Wago. Nabízíme vývoj aplikačního SW a to včetně vizualizace.
Výrobní dílna je vybavena moderním zařízením pro tvarování a děrování Cu sběrnic.
Certifikáty a oprávnění


